Heatline - échangeur de chaleur pour piscines

20 kW

40 kW

70 kW
Echangeur piscine heat line plus titane 20 kw
ou 494,00 € x 3 TTC (Paiement en 3 fois sans frais*)
2 ans
Echangeur piscine Heatline Plus Zodiac

L'échangeur multitubulaire HeatLine vous offre toute la compétence Zodiac en matière de chauffage de piscine :
Installation simple et solidité maximale, il vous permet d'utiliser l'énergie de votre chauffage domestique pour chauffer votre eau de piscine.
Compatible avec PAC, géothermie, chaudière, panneaux solaires.
3 modèles pour piscines jusqu'à 200 m³ :
- Echangeur piscine Heat Line Plus Titane 20 kW
- Echangeur piscine Heat Line Plus Titane 40 kW
- Echangeur piscine Heat Line Plus Titane 70 kW
Garanti 2 ans
Heatline Plus - Description

Equipement :
- Raccordement piscine en PVC Ø63 ou Ø50 en ligne en sortie de filtration.
- Raccordement à la chaudière Ø26/34 F, clapet anti-retour fourni.
- Corps injecté en polyamide chargé verre.
- Faisceau de tubes en titane anticorrosion.
- Appareil pré-câblé avec thermostat de régulation digital avec M/A-voyant-temporisation, circulateur avec raccords galvanisés, contrôleur de débit de courant


Deux circuits d'eau circulent dans l'échangeur, à contre-courant :
- Le circuit primaire, qui est l'eau venant d'un système de chauffage solaire, géothermique ou d'une chaudière. Ce circuit est la source de chaleur qui servira à chauffer la piscine.
- Le circuit secondaire, qui n'est autre que l'eau de piscine à chauffer.
Les avantages :
- L'échangeur piscine est idéal dans le cas d'une utilisation ponctuelle, en week-end par exemple.
- Rapidité de la montée en température dans le cas d'une alimentation par chaudière (gain pouvant aller jusqu'à 28°C en 24-48h)
- L'aspect économique en terme d'investissement et de consommation est palpable dans le cas d'un chauffage au gaz naturel (gaz de ville)
- La fiabilité Zodiac : la technologie polyamide titane de PSA assure une performance et une durabilité totales face à la corrosion
- Simplicité d'utilisation : il suffit de programmer l'échangeur à la température voulue (28°C) et c'est tout !

Attention : mettre la filtration en continu lors de la montée en température, et une fois celle-ci à la valeur souhaitée,passer en mode automatique.
Installation :
- A l'intérieur du local technique e, sortie de filtration (by-pass si débit trop important)
- Protection par disjoncteur différentiel 30 mA à prévoir par l'utilisateur (non fourni)
NB : En raison de leur technicité, les échangeurs piscine PSA Zodiac nécessitent une installation faite par un professionnel.
Ceci vous permettra d'obtenir la garantie d'une installation dans les normes, et de bénéficier de la garantie fabricant d'une durée de 2 ans.
Celle-ci ne sera pas accordée en cas d'installation par un non-professionnel.

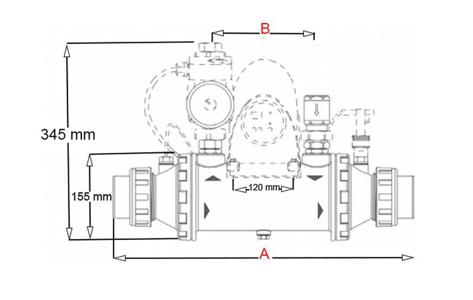
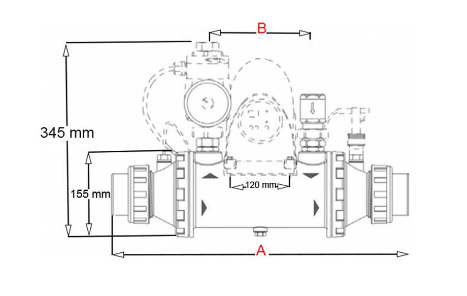
Heatline Plus - Caractéristiques techniques
*Circuit primaire : T°C max = 90°C - T°C moy = 60°C - T°C min = 45°C
Circuit secondaire : T°C = 26 °C

demander un devis gratuit : Contactez-nous
Les données personnelles recueillies à partir de ce formulaire sont utilisées pour le traitement de votre demande et pour des fins statistiques.
Les informations dont le champ de saisie est suivi d’un astérisque sont nécessaires au traitement de votre demande. Les autres informations sont facultatives mais peuvent aider à obtenir un traitement plus efficace de votre demande.
Les informations sont conservées pour une durée qui ne saurait excéder 36 mois après la fermeture de votre dossier.
Pour plus d’information sur notre gestion des données personnelles, consultez notre page de Politique de Confidentialité et notre page dédié à vos droits pour maitriser vos données personnelles.


















