Description Echelle 2 marches + 1 marche sécurité en 2 éléments partie inférieur
Echelle deux éléments : partie inférieure 3 marches dont 1 sécurité
Partie inférieure d'échelle pour piscines, compatible avec tous types de sorties de bain. Conforme aux normes Européennes EN13451-1 et EN13451-2.
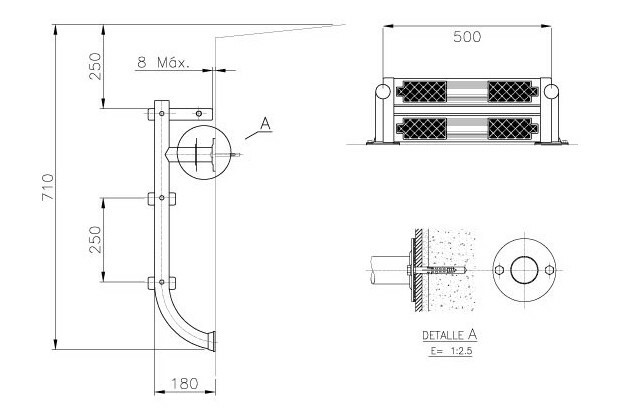
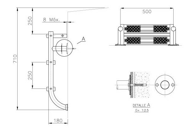
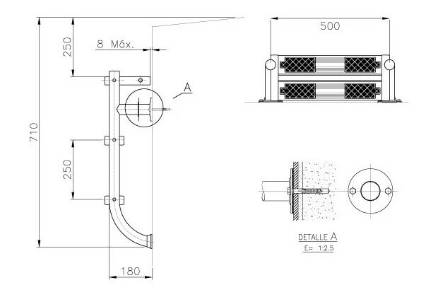
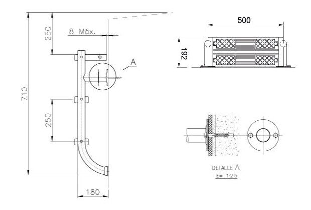
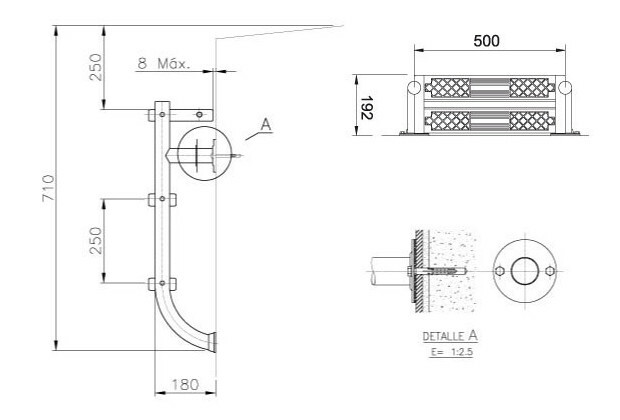
La partie inférieure d'échelle ci-contre comprend 3 marches dont une sécurité, et une main courante.
NB : Les produits en acier inoxydable ne sont absolument pas compatibles avec une eau traitée par électrolyse au sel !
Toute utilisation des produits sous garantie dans une eau traitée par électrolyse entraînerait l'annulation de cette garantie
Caractéristiques techniques

Cet élément inférieur d'échelle est fabriqué en acier inox AISI-316 poli.
Largeur échelle 500m.
- Marches antidérapantes avec empiècements plastique :
- Une première marche de sécurité double surface/
- Trois marches luxe antidérapantes.
NB : Cette gamme d'échelles n'est pas compatible avec un revêtement liner.
Pour piscines béton uniquement : carrelage et peinture
Installation
La partie inférieure d'échelle 3 marches est composée des éléments suivants :
1- Une marche échelle sécurité
2- Deux marche échelle Luxe
3- Ecrou M8
4- Rondelle Ø8mm
5- Vis spéciales M8 x73
6- Main courante
7- Butoir pour main courante
8- Vis Ø8mm x 70
9- Ecrou Ø8mm
10- Joint
11- Chevilles fixation Ø10mm
a - Effectuer les trous pour poser les chevilles, en utilisant la main courante comme gabarit. (se référer au mieux aux dimensions représentées sur le schéma d'installation ci-dessus)
b - Assembler la partie inférieure de l'échelle : poser les marches (1-2) et les fixer avec la visserie correspondante (3-4-5)
c - Installer les butoirs (7) de la main courante afin de protéger le revêtement du bassin.
Produits complémentaires
La partie inférieure d'échelle peut être complétée par différentes sorties de bain proposées sur notre site. (images ci-dessous)
NB : Les produits ci-dessous sont vendus séparément
Avis Echelle 2 marches + 1 marche sécurité en 2 éléments partie inférieur






