Description Filtres TRITON
Filtre TRITON (vanne 6 voies incluse)
Triton, le filtre capable de survivre à votre piscine? Original et pourtant un standard industriel.
Les filtres à sables ne se valent pas tous.
Pour une filtration optimale, toute l'eau doit traverser la même quantité de sable au débit correct.
Triton est doté d'un design interne spécifique qui permet de maintenir le niveau de la couche de sable, garantit un débit régulier et offre une filtration des plus efficaces.
Plus de 2 millions de filtres Triton ont été installés dans le monde entier, preuve de la confiance et des résultats assurés.
Triton est le résultat de plus de 40 ans d'évolution et d'optimisation.
Il a défini le standard industriel en terme d'efficacité, rendement, maintenance minimale, et longévité.
Cuve garantie 10 ans
Triton - Description
Le filtre à sable est le moyen le plus courant de filtrer l'eau. Peu contraignant, il ne demande que peu de soin, et offre un fonctionnement simple et efficace.
L'eau de la piscine est propulsée dans une cuve sous pression remplie de sable. Celui-ci retient les particules d'une taille parfois si petite qu'elle est invisible à l'oeil nu.
Au fil des utilisations, la saleté accumulée dans les espaces entre les grains de sable rend difficile le passage de l'eau, en augmentant la pression dans la cuve. Il faut alors procéder à un contre-lavage du filtre, ce qui consiste en une inversion du flux et une éjection des impuretés.
C'et aussi simple que cela !
- Design interne spécifique, étudié pour garantir une filtration optimale de toute l'eau, pour un résultat limpide et cristallin.
- La construction composite sans soudure élimine toute possibilité de fuite. Ne peut ni rouiller ni se corroder.
- Procédé breveté GlaslokTM permettant la production d'une cuve d'un seul tenant, renforcée en fibre de verre et dont le revêtement est résistant aux U.V et à la corrosion.
- Qualité de filtration assurée grâce à la conception du système de débit, assurant également une durée maximum entre deux contre-lavages.
- Couvercle transparent, manomètre à montage supérieur et purge d'air manuelle.
- Diffuseur à 360° : escamotable pour un accès facilité à la charge filtrante, permet de maintenir la couche de sable régulière.
- Vidange sur le bas de la cuve : maintenance et hivernage faciles.
- Raccords de connexion filetés pour une manipulation aisée.
- Pression de service maximale de 2.3 bar et température de service maximale de 50° C.
NB : filtre livré sans charge filtrante.
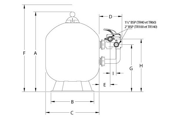
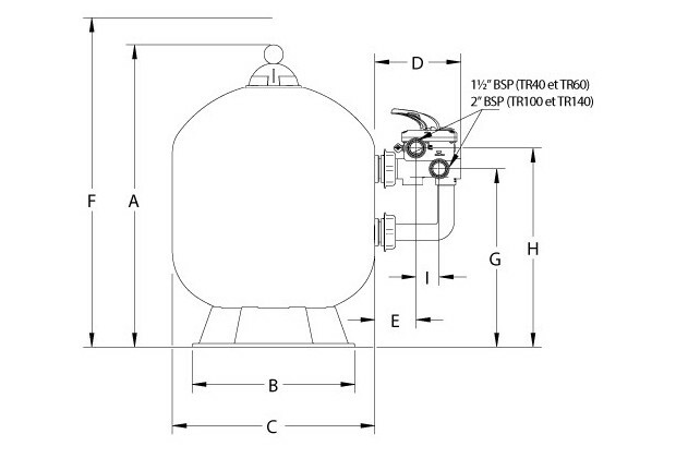
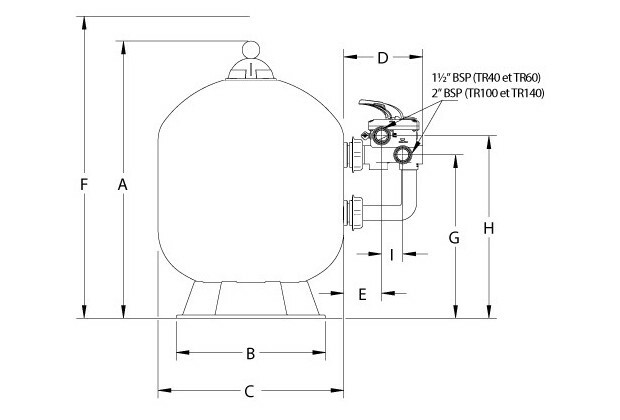
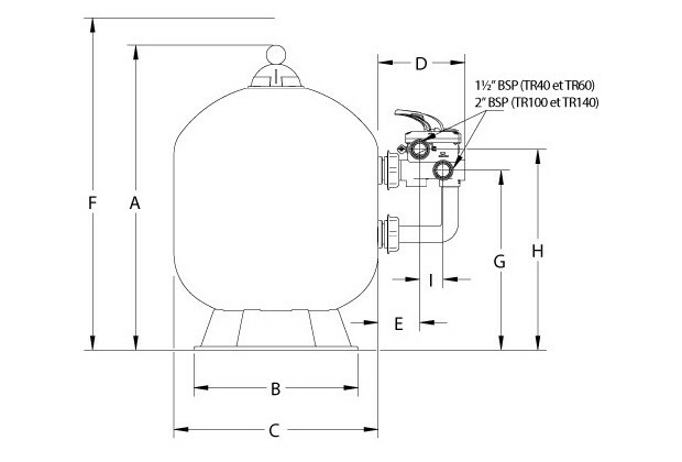
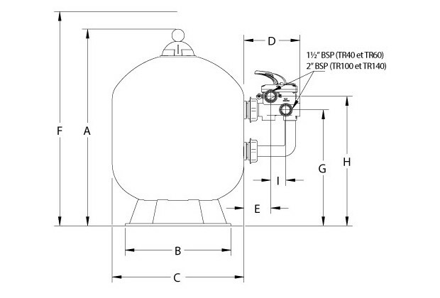
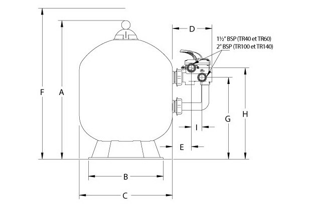
Triton - Caractéristiques techniques
Documentation Filtres TRITON
Pièces détachées Filtres TRITON
Crépine TR 100 Triton (230mm) - La pièce
Vanne multivoies 1"1/2 pour filtre à sable de piscine triton
Vanne multivoies 2" pour filtre à sable triton
Couvercle pour filtre à sable de piscine triton 8"
Joint étoile 2" pour vanne multivoies de filtre à sable de piscine triton
Avis Filtres TRITON


