Description Traversée de paroi béton
Traversée de paroi pour piscines béton
Fonction de la traversée de paroi
- Elle se met en place lors de la construction d'une piscine béton, et et essentielle à l'installation de certaines pièces à sceller comme une prise balai, certains genres de projecteurs, arrivées d'eau, etc.
- Elle est prévue si la construction est en béton armé, blocs à bancher, agglos polystyrènes à bancher ou panneaux résine à bancher.
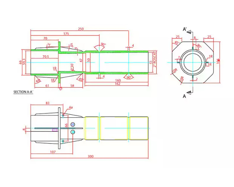
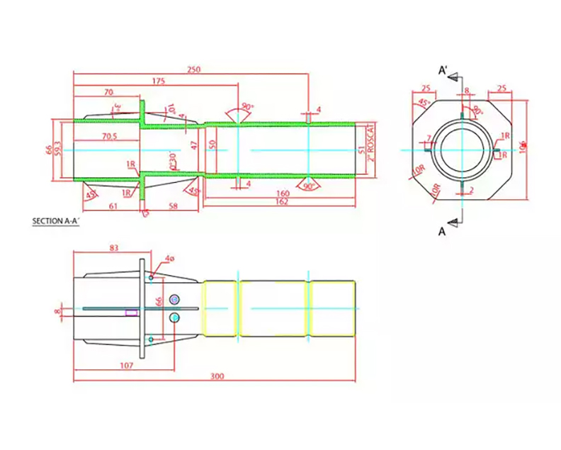
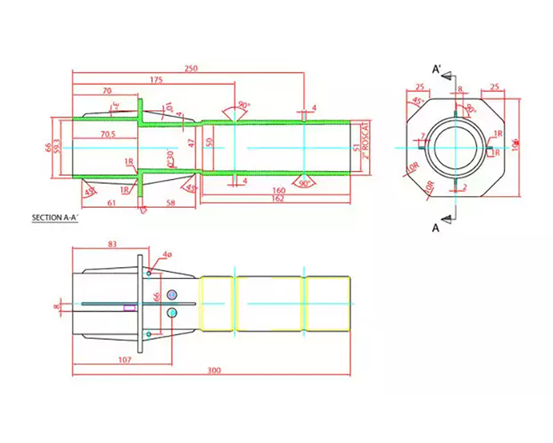
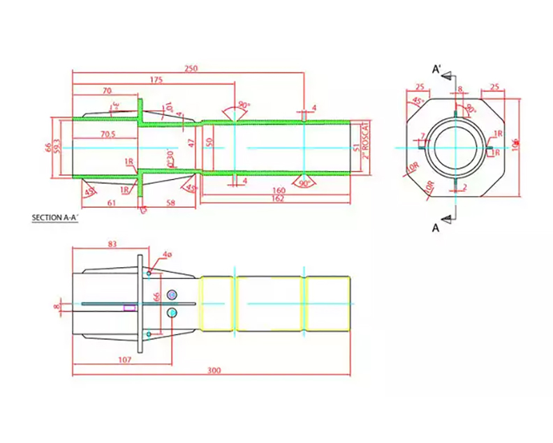
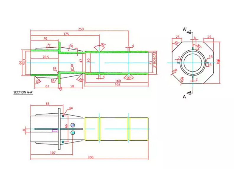
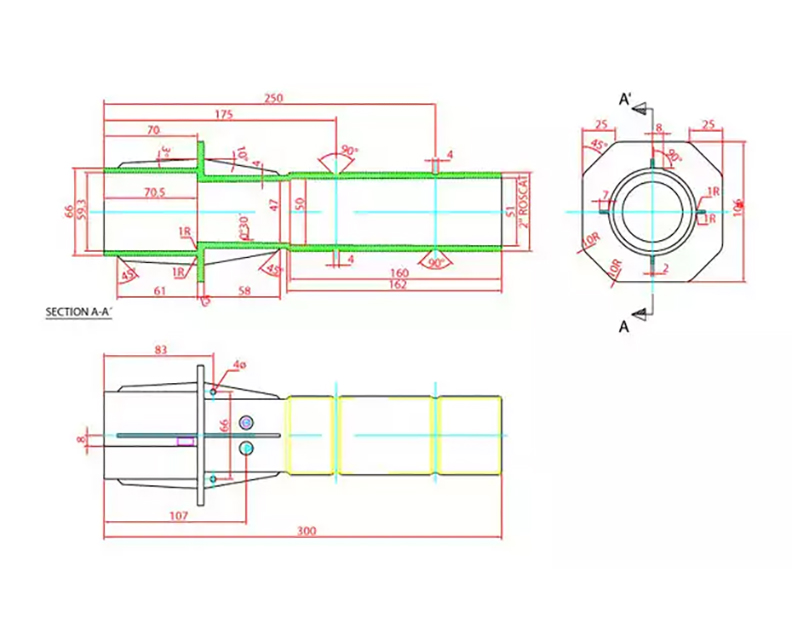
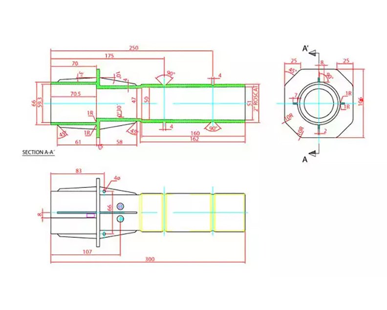
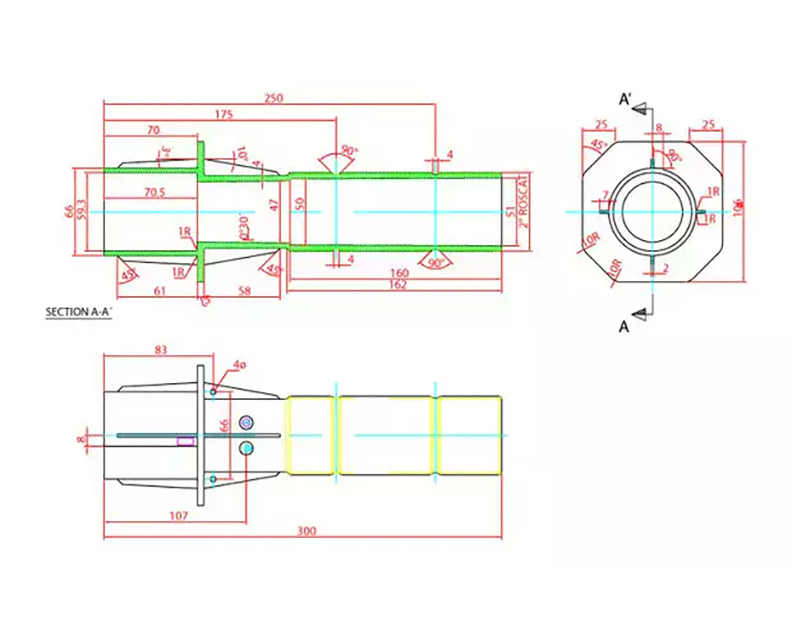
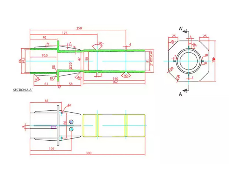
Caractéristiques :
- Pour piscines béton
- Connexion postérieure 2", filetage mâle, intérieur lisse Ø50
- Connexion arrière filetage femelle 2" pur bouches filetage mâle 2"
- Traversée de paroi longueur 300 mm pour bouches Ø 2" et multiflow, sectionnable en fonction de l'importance de la piscine
- Orifices permettant le positionnement de la traversée dans la structure du bassin
Avis Traversée de paroi béton



